

購買SKF N28/1400ECMP軸承,及N28/1400ECMP軸承同系列產品,或者SKF公司其他產品,請聯系SKF進口軸承經銷 -磐固晟,我們提供準時高效的服務。
型號:N28/1400ECMP
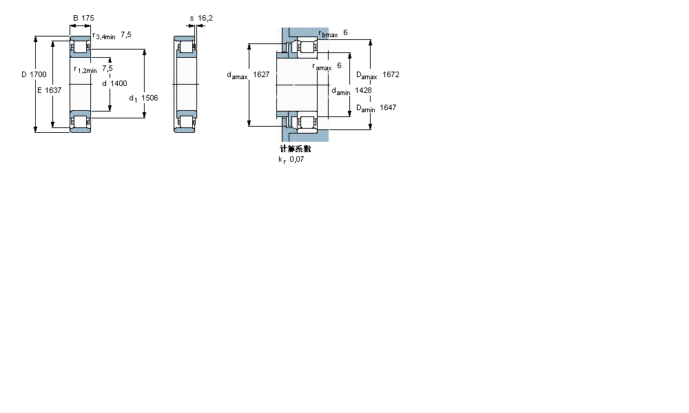
品牌:SKF
內徑:1400
外徑:1700
厚度:175
系列:圓柱滾子軸承, 單列, N 設計
【更新日期:2016/8/3 電腦版 N28/1400ECMP軸承】
| 圓柱滾子軸承, 單列, N 設計 | ||||||||||||
| 公差 , 參見文字 | ||||||||||||
| 徑向內部間隙, 圓柱型內孔 , 圓錐型內孔, 無密封件 , 參見文字 | ||||||||||||
| 推薦配合 | ||||||||||||
| 軸和軸承座公差 | ||||||||||||
|
|
||||||||||||
| 主要數據尺寸 | 基本負荷額定值 | 疲勞負荷限值 | 額定速度 | 體積 | 型號 | 適宜的斜擋圈 | ||||||
| 動態(tài) | 靜態(tài) | 參照速度 | 限制速度 | 型號 | ||||||||
| d | D | B | C | C0 | Pu | |||||||
|
|
||||||||||||
| mm | kN | kN | r/min | kg | - | - | ||||||
|
|
||||||||||||
| 1400 | 1700 | 175 | 6600 | 18300 | 1040 | 220 | 280 | 860 | N 28/1400 ECMP | - | ||