

我們不僅提供SKF BSD3572CG軸承,還提供SKF品牌的其他品牌產品,以及SKF BSD3572CG軸承的替換型號,萬千種型號,任您選擇。
型號:BSD3572CG
品牌:SKF
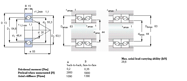
內徑:35
外徑:72
厚度:15
系列:角接觸推力球軸承 for screw drives, single direction
【更新日期:2016/8/3 電腦版 BSD3572CG軸承】
| 角接觸推力球軸承 for screw drives, single direction | |||||||||||
| 公差, inner rings, outer rings, see also text | |||||||||||
| Preload, see specific bearing, see also text | |||||||||||
| Shaft fits, housing fits | |||||||||||
| 軸和軸承座公差 | |||||||||||
|
|
|||||||||||
| 主要數據尺寸 | 基本負荷額定值 | 疲勞負荷限值 | 可達到的速度 | 體積 | 型號 | ||||||
| 動態(tài) | 靜態(tài) | 當潤滑與 | SKF | SNFA | |||||||
| 油脂 | 滴油潤滑 | ||||||||||
| d | D | H | C | C0 | Pu | ||||||
|
|
|||||||||||
| mm | kN | kN | r/min | kg | - | ||||||
|
|
|||||||||||
| 35 | 72 | 15 | 36,5 | 98 | 3,65 | 7500 | 9000 | 0,30 | BSD 3572 CG | BS 35/72 7P62U | |