

SKF進口軸承經銷 磐固晟為用戶提供高品質的891/850M軸承,無論是工業(yè)配套還是維修市場,用戶都可以在這里找到貨期最短的SKF 891/850M軸承,確保您的不間斷生產。
型號:891/850M
品牌:SKF
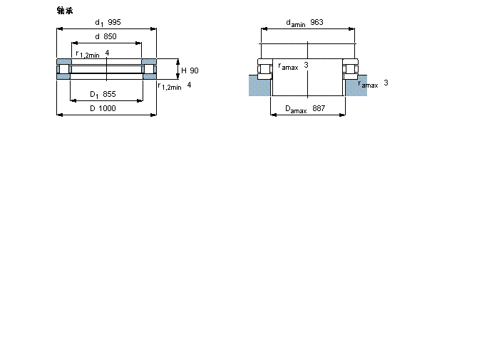
內徑:850
外徑:1000
厚度:90
系列:圓柱滾子推力軸承, 軸承 / 圓柱滾子和保持架止推組件
【更新日期:2016/8/3 電腦版 891/850M軸承】
| 圓柱滾子推力軸承, 軸承 / 圓柱滾子和保持架止推組件 | ||||||||||||
| 公差 , 參見文字 | ||||||||||||
| 推薦配合 | ||||||||||||
| 軸和軸承座公差 | ||||||||||||
|
|
||||||||||||
| 主要數據尺寸 | 基本負荷額定值 | 疲勞負荷限值 | 最小負荷系數 | 額定速度 | 體積 | 型號 | ||||||
| 動態(tài) | 靜態(tài) | 參照速度 | 限制速度 | 軸承 | 圓柱滾子和保持架止推組件 | |||||||
| d | D | H | C | C0 | Pu | A | ||||||
|
|
||||||||||||
| mm | kN | kN | - | r/min | kg | - | ||||||
|
|
||||||||||||
| 850 | 1000 | 90 | 2600 | 19000 | 1100 | 29 | 180 | 360 | 130 | 891/850 M | - | |