

6209-2RZTN9/HC5C3WT軸承是SKF公司同時面向工業(yè)配套和維修市場的產品,磐固晟同時經銷 此兩項業(yè)務,不僅為批量采購的用戶提供優(yōu)惠的SKF 6209-2RZTN9/HC5C3WT軸承,同時也為零散采購用戶提供價格優(yōu)惠的及時供貨服務。
型號:6209-2RZTN9/HC5C3WT
品牌:SKF
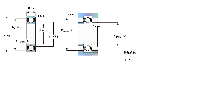
內徑:45
外徑:85
厚度:19
系列:深溝球軸承, 單列陶瓷混合軸承, 低摩擦兩面密封件
【更新日期:2016/8/3 電腦版 6209-2RZTN9/HC5C3WT軸承】
| 深溝球軸承, 單列陶瓷混合軸承, 低摩擦兩面密封件 | ||||||||||
| 公差, 參見文字 | ||||||||||
| 徑向內部游隙 , 參見文字 | ||||||||||
| 推薦配合 | ||||||||||
| 軸和軸承座公差 | ||||||||||
|
|
||||||||||
| 主要數據尺寸 | 基本負荷額定值 | 疲勞負荷限值 | 額定速度 | 體積 | 型號 | |||||
| 動態(tài) | 靜態(tài) | 參照速度 | 限制速度 | |||||||
| d | D | B | C | C0 | Pu | |||||
|
|
||||||||||
| mm | kN | kN | r/min | kg | - | |||||
|
|
||||||||||
| 45 | 85 | 19 | 35,1 | 21,6 | 0,915 | 22000 | 14000 | 0,42 | 6209-2RZTN9/HC5C3WT | |