

我們不僅提供SKF 53210軸承,還提供SKF品牌的其他品牌產品,以及SKF 53210軸承的替換型號,萬千種型號,任您選擇。
型號:53210
品牌:SKF
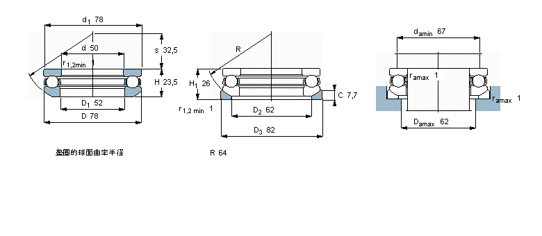
系列:推力球軸承, 單向,帶球面軸承座墊圈
【更新日期:2016/8/3 電腦版 53210軸承】
| 推力球軸承, 單向,帶球面軸承座墊圈 | ||||||||||||
| 公差 , 參見文字 | ||||||||||||
| 推薦配合 | ||||||||||||
| 軸和軸承座公差 | ||||||||||||
|
|
||||||||||||
| 主要數據尺寸 | 基本負荷額定值 | 疲勞負荷限值 | 最小負荷系數 | 額定速度 | 體積 | 型號 | ||||||
| 動態(tài) | 靜態(tài) | 參照速度 | 限制速度 | 軸承 +墊圈 | 軸承 | 基座墊圈 | ||||||
| d | D | H1 | C | C0 | Pu | A | ||||||
|
|
||||||||||||
| mm | kN | kN | - | r/min | kg | - | ||||||
|
|
||||||||||||
| 50 | 78 | 26 | 49,4 | 116 | 4,3 | 0,069 | 3400 | 4500 | 0,47 | 53210 | U 210 | |