

SKF進口軸承經銷 磐固晟為用戶提供高品質的3209A-2RS1TN9/MT33軸承,無論是工業(yè)配套還是維修市場,用戶都可以在這里找到貨期最短的SKF 3209A-2RS1TN9/MT33軸承,確保您的不間斷生產。
型號:3209A-2RS1TN9/MT33
品牌:SKF
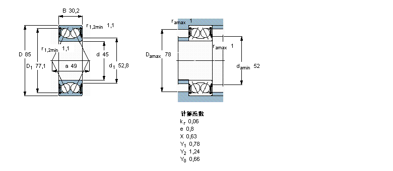
內徑:45
外徑:85
厚度:30.2
系列:角接觸球軸承, 雙列, 兩面密封件
【更新日期:2016/8/3 電腦版 3209A-2RS1TN9/MT33軸承】
| 角接觸球軸承, 雙列, 兩面密封件 | ||||||||||
| 公差 , 參見文字 | ||||||||||
| 軸向內部間隙, a), b), 參見文字 | ||||||||||
| 推薦配合 | ||||||||||
| 軸和軸承座公差 | ||||||||||
|
|
||||||||||
| 主要數據尺寸 | 基本負荷額定值 | 疲勞負荷限值 | 額定速度 | 體積 | 型號 | |||||
| 動態(tài) | 靜態(tài) | 參照速度 | 限制速度 | |||||||
| d | D | B | C | C0 | Pu | * - SKF Explorer 軸承 | ||||
|
|
||||||||||
| mm | kN | kN | r/min | kg | - | |||||
|
|
||||||||||
| 45 | 85 | 30,2 | 51 | 39 | 1,63 | - | 5300 | 0,63 | 3209 A-2RS1TN9/MT33 * | |