

SKF 23938CCK/W33軸承是磐固晟長期經銷 的產品,磐固晟與SKF公司具有長期的23938CCK/W33軸承采購計劃,可以為國內用戶提供足夠數量的SKF 23938CCK/W33軸承,讓您的工廠無憂運轉。
型號:23938CCK/W33
品牌:SKF
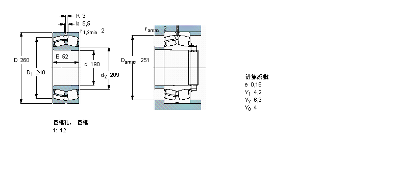
內徑:190
外徑:260
厚度:52
系列:球面滾子軸承, 圓柱和圓錐孔, 圓錐型內孔, 無密封件
【更新日期:2016/8/3 電腦版 23938CCK/W33軸承】
| 球面滾子軸承, 圓柱和圓錐孔, 圓錐型內孔, 無密封件 | ||||||||||
| 公差 , 參見文字 | ||||||||||
| 徑向內部間隙, 圓柱型內孔 , 圓錐型內孔, 無密封件 , 參見文字 | ||||||||||
| 推薦配合 | ||||||||||
| 軸和軸承座公差 | ||||||||||
|
|
||||||||||
| 主要數據尺寸 | 基本負荷額定值 | 疲勞負荷限值 | 額定速度 | 體積 | 型號 | |||||
| 動態(tài) | 靜態(tài) | 參照速度 | 限制速度 | |||||||
| d | D | B | C | C0 | Pu | |||||
|
|
||||||||||
| mm | kN | kN | r/min | kg | - | |||||
|
|
||||||||||
| 190 | 260 | 52 | 414 | 800 | 76,5 | 2200 | 2600 | 8,05 | 23938 CCK/W33 | |