

232/670CAK/W33軸承是SKF公司同時面向工業(yè)配套和維修市場的產品,磐固晟同時經銷 此兩項業(yè)務,不僅為批量采購的用戶提供優(yōu)惠的SKF 232/670CAK/W33軸承,同時也為零散采購用戶提供價格優(yōu)惠的及時供貨服務。
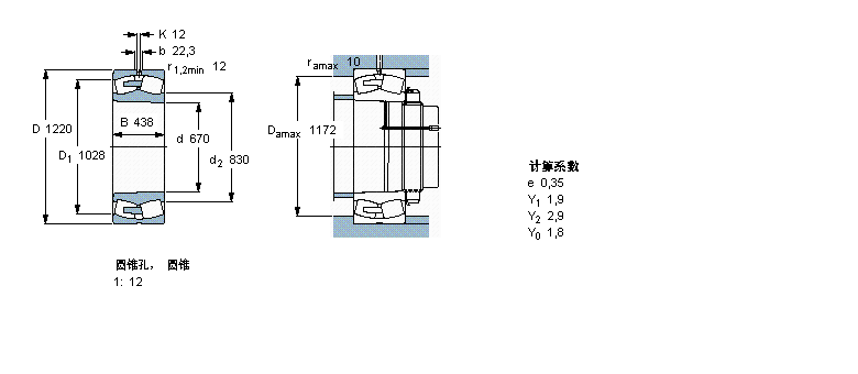
型號:232/670CAK/W33
品牌:SKF
內徑:670
外徑:1220
厚度:438
系列:球面滾子軸承, 圓柱和圓錐孔, 圓錐型內孔, 無密封件
【更新日期:2016/8/3 電腦版 232/670CAK/W33軸承】
| 球面滾子軸承, 圓柱和圓錐孔, 圓錐型內孔, 無密封件 | ||||||||||
| 公差 , 參見文字 | ||||||||||
| 徑向內部間隙, 圓柱型內孔 , 圓錐型內孔, 無密封件 , 參見文字 | ||||||||||
| 推薦配合 | ||||||||||
| 軸和軸承座公差 | ||||||||||
|
|
||||||||||
| 主要數據尺寸 | 基本負荷額定值 | 疲勞負荷限值 | 額定速度 | 體積 | 型號 | |||||
| 動態(tài) | 靜態(tài) | 參照速度 | 限制速度 | |||||||
| d | D | B | C | C0 | Pu | |||||
|
|
||||||||||
| mm | kN | kN | r/min | kg | - | |||||
|
|
||||||||||
| 670 | 1220 | 438 | 15400 | 30500 | 1700 | 220 | 360 | 2205 | 232/670 CAK/W33 | |