

我們不僅提供SKF 231/500CAK/W33軸承,還提供SKF品牌的其他品牌產品,以及SKF 231/500CAK/W33軸承的替換型號,萬千種型號,任您選擇。
型號:231/500CAK/W33
品牌:SKF
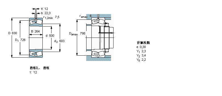
內徑:500
外徑:830
厚度:264
系列:球面滾子軸承, 圓柱和圓錐孔, 圓錐型內孔, 無密封件
【更新日期:2016/8/3 電腦版 231/500CAK/W33軸承】
| 球面滾子軸承, 圓柱和圓錐孔, 圓錐型內孔, 無密封件 | ||||||||||
| 公差 , 參見文字 | ||||||||||
| 徑向內部間隙, 圓柱型內孔 , 圓錐型內孔, 無密封件 , 參見文字 | ||||||||||
| 推薦配合 | ||||||||||
| 軸和軸承座公差 | ||||||||||
|
|
||||||||||
| 主要數據尺寸 | 基本負荷額定值 | 疲勞負荷限值 | 額定速度 | 體積 | 型號 | |||||
| 動態(tài) | 靜態(tài) | 參照速度 | 限制速度 | |||||||
| d | D | B | C | C0 | Pu | * - SKF Explorer 軸承 | ||||
|
|
||||||||||
| mm | kN | kN | r/min | kg | - | |||||
|
|
||||||||||
| 500 | 830 | 264 | 7650 | 12900 | 830 | 380 | 700 | 560 | 231/500 CAK/W33 * | |