

作為傳統(tǒng)的進口軸承經銷 商,磐固晟以廣州為基地,全方位展開與SKF公司的合作,為本地SKF 23048CC/W33軸承提供強大的貨源支持,并迅速推廣到全國各地,經過多年的努力,23048CC/W33軸承已成為我們的主導產品之一。
型號:23048CC/W33
品牌:SKF
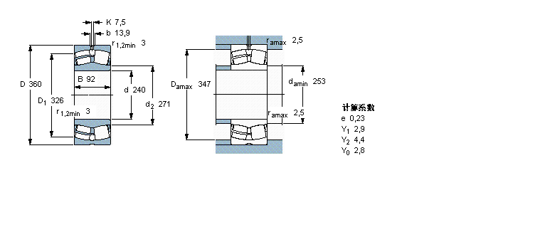
內徑:240
外徑:360
厚度:92
系列:球面滾子軸承, 圓柱和圓錐孔, 圓柱型內孔, 無密封件
【更新日期:2016/8/3 電腦版 23048CC/W33軸承】
| 球面滾子軸承, 圓柱和圓錐孔, 圓柱型內孔, 無密封件 | ||||||||||
| 公差 , 參見文字 | ||||||||||
| 徑向內部間隙, 圓柱型內孔 , 圓錐型內孔, 無密封件 , 參見文字 | ||||||||||
| 推薦配合 | ||||||||||
| 軸和軸承座公差 | ||||||||||
|
|
||||||||||
| 主要數據尺寸 | 基本負荷額定值 | 疲勞負荷限值 | 額定速度 | 體積 | 型號 | |||||
| 動態(tài) | 靜態(tài) | 參照速度 | 限制速度 | |||||||
| d | D | B | C | C0 | Pu | * - SKF Explorer 軸承 | ||||
|
|
||||||||||
| mm | kN | kN | r/min | kg | - | |||||
|
|
||||||||||
| 240 | 360 | 92 | 1290 | 2080 | 176 | 1500 | 1900 | 33,5 | 23048 CC/W33 * | |