

SKF 22328CCK/W33軸承工業(yè)配套用戶請注意:批量采購SKF 22328CCK/W33軸承,請至少提前一周與我們聯(lián)系,長期批量采購請?zhí)峁┠甓炔少徲媱�,我們將十分感謝您的預見性,我們將提供極為優(yōu)惠的價格以保障您的權益。
型號:22328CCK/W33
品牌:SKF
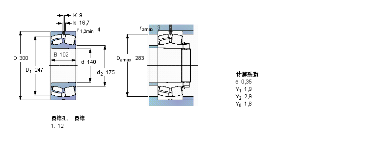
內徑:140
外徑:300
厚度:102
系列:球面滾子軸承, 圓柱和圓錐孔, 圓錐型內孔, 無密封件
【更新日期:2016/8/3 電腦版 22328CCK/W33軸承】
| 球面滾子軸承, 圓柱和圓錐孔, 圓錐型內孔, 無密封件 | ||||||||||
| 公差 , 參見文字 | ||||||||||
| 徑向內部間隙, 圓柱型內孔 , 圓錐型內孔, 無密封件 , 參見文字 | ||||||||||
| 推薦配合 | ||||||||||
| 軸和軸承座公差 | ||||||||||
|
|
||||||||||
| 主要數據尺寸 | 基本負荷額定值 | 疲勞負荷限值 | 額定速度 | 體積 | 型號 | |||||
| 動態(tài) | 靜態(tài) | 參照速度 | 限制速度 | |||||||
| d | D | B | C | C0 | Pu | * - SKF Explorer 軸承 | ||||
|
|
||||||||||
| mm | kN | kN | r/min | kg | - | |||||
|
|
||||||||||
| 140 | 300 | 102 | 1290 | 1560 | 132 | 1700 | 2200 | 36,0 | 22328 CCK/W33 * | |