

購買SKF 2205E-2RS1KTN9+H305C軸承,及2205E-2RS1KTN9+H305C軸承同系列產品,或者SKF公司其他產品,請聯系SKF進口軸承經銷 -磐固晟,我們提供準時高效的服務。
型號:2205E-2RS1KTN9+H305C
品牌:SKF
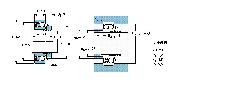
內徑:20
外徑:52
厚度:18
系列:自調心球軸承, 帶緊定套, 兩面密封件
【更新日期:2016/8/3 電腦版 2205E-2RS1KTN9+H305C軸承】
| 自調心球軸承, 帶緊定套, 兩面密封件 | ||||||||||
| 公差 , 參見文字 | ||||||||||
| 徑向內部游隙 , 參見文字 | ||||||||||
| 推薦配合 | ||||||||||
| 軸和軸承座公差 | ||||||||||
|
|
||||||||||
| 主要數據尺寸 | 基本負荷額定值 | 疲勞負荷限值 | 額定速度 | 體積 | 型號 | |||||
| 動態(tài) | 靜態(tài) | 參照速度 | 限制速度 | 軸承 + 緊定套 | ||||||
| d1 | D | B | C | C0 | Pu | |||||
|
|
||||||||||
| mm | kN | kN | r/min | kg | - | |||||
|
|
||||||||||
| 20 | 52 | 18 | 14,3 | 4 | 0,21 | - | 9000 | 0,23 | 2205 E-2RS1 KTN9 + H 305 C | |